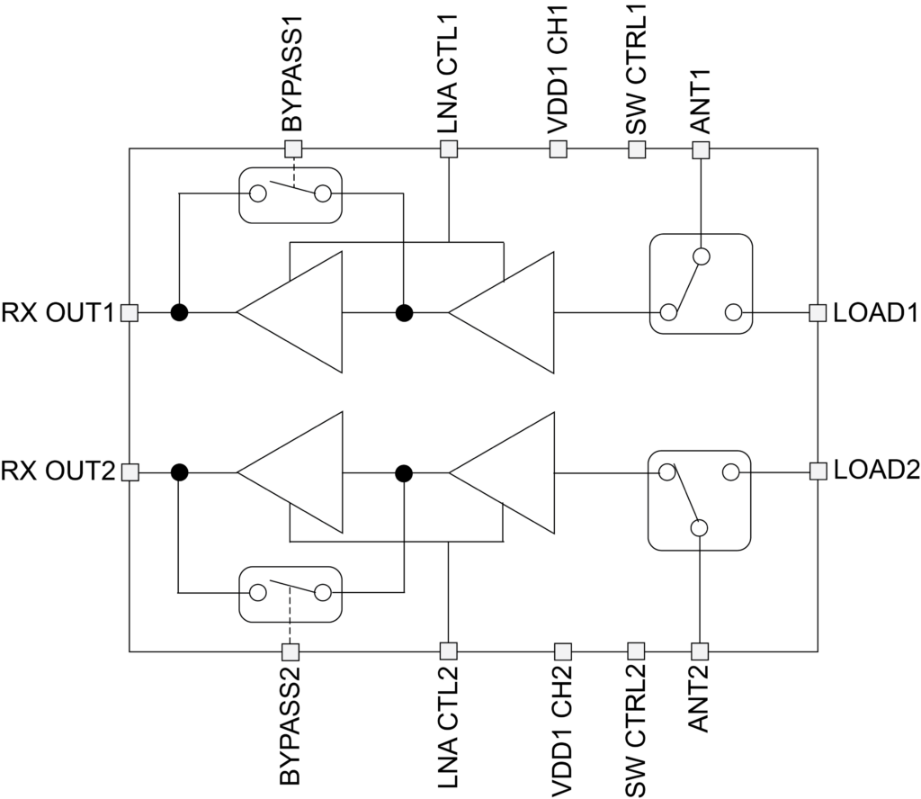
Dual-channel Switch LNA Module

The PE53231 is a highly integrated front-end module targeted for wireless infrastructure applications such as TDD macro/micro base stations and MIMO applications. It is designed for use at the front end of a receiver chain for TDD-based systems and is ideally suited to 5G solutions or small cell applications. The dual-channel receiver integrates two independent […]